Single Line Diagram

Single Line Diagram (SLD) adalah representasi grafis sederhana dari suatu sistem tenaga listrik menggunakan simbol-simbol standar dan garis tunggal untuk menunjukkan semua komponen utama dan interkoneksinya. Diagram ini berfungsi sebagai peta atau blueprint untuk memahami aliran daya, analisis sistem, koordinasi proteksi, dan pemeliharaan.

Pengertian, Simbol, dan Fungsi Utama

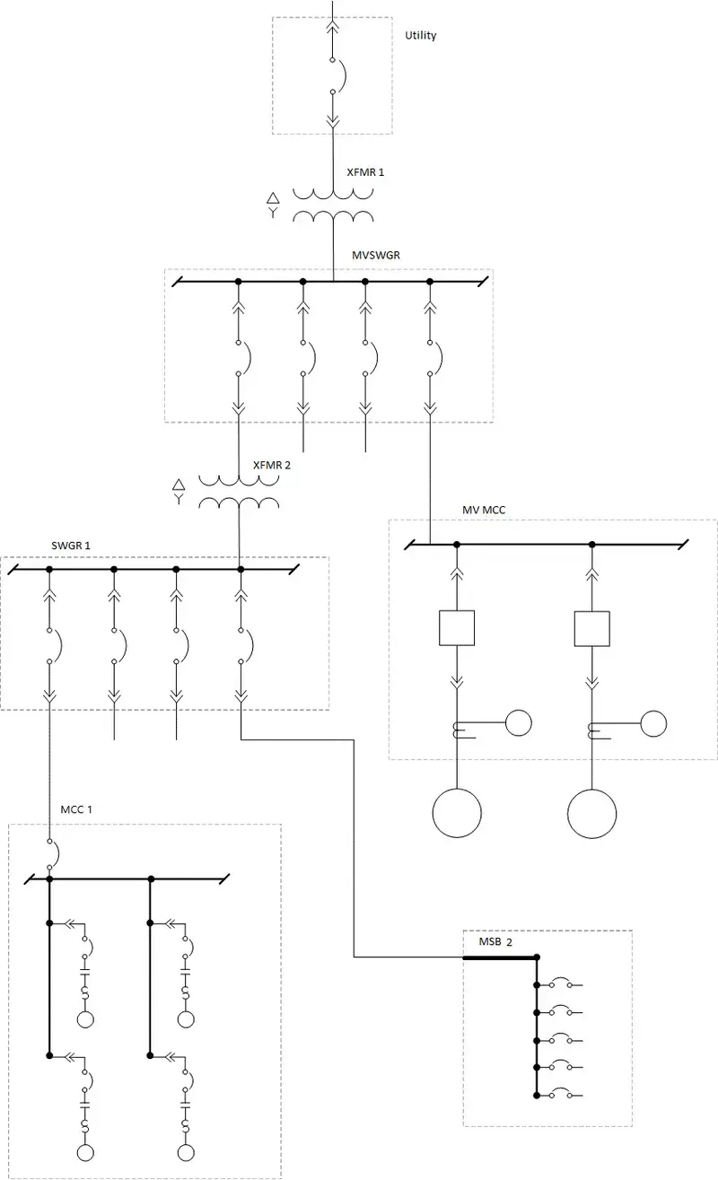
Single Line Diagram (SLD), atau Diagram Satu Garis, adalah representasi grafis sederhana dari suatu sistem tenaga listrik. Seperti namanya, diagram ini menggunakan satu garis untuk mewakili semua konduktor (fasa) dalam suatu sirkuit tiga fasa, dengan asumsi sistem seimbang. SLD memuat simbol-simbol grafis standar untuk komponen-komponen seperti generator, transformator, pemutus sirkuit (circuit breaker), penghubung (disconnecting switch), busbar, beban, dan peralatan proteksi. Diagram ini memberikan gambaran menyeluruh tentang arsitektur sistem, mulai dari pembangkitan, transformasi, transmisi, distribusi, hingga ke beban.

Diagram garis tunggal listrik lengkap di papan kontrol panel utama

Fungsi utama SLD sangat krusial dalam dunia ketenagalistrikan. Pertama, SLD berperan sebagai 'peta' atau 'blueprint' yang memudahkan insinyur, teknisi, dan operator untuk memahami aliran daya, mengidentifikasi komponen, dan melakukan analisis sistem seperti studi hubung singkat (short circuit) dan aliran daya (load flow). Kedua, SLD menjadi dasar untuk perencanaan, desain, dan modifikasi sistem. Ketiga, diagram ini sangat vital untuk koordinasi proteksi, yaitu menentukan setelan dan waktu kerja perangkat proteksi (seperti relay dan fuse) agar hanya bagian sistem yang bermasalah yang terisolasi.

Close-up simbol listrik dan garis pada diagram garis tunggal cetak biru

Dalam konteks yang lebih luas, SLD digunakan di semua level sistem tenaga listrik, mulai dari diagram utama (master SLD) di gardu induk atau pembangkit listrik, hingga diagram distribusi di pabrik, gedung komersial, atau instalasi konsumen. Kejelasan dan kemudahannya dibaca membuat SLD menjadi dokumen referensi pertama yang diperiksa sebelum melakukan pekerjaan operasi atau pemeliharaan apa pun di sistem kelistrikan, demi keselamatan dan keandalan.

Insinyur memegang hard copy diagram garis tunggal di ruang kontrol gardu induk

Penerapan dalam Sistem Pembangkitan, Transmisi, dan Proteksi

Pada pembangkit listrik, SLD menggambarkan konfigurasi utama mulai dari generator, transformator penaik tegangan (step-up), sistem pengumpan (auxiliary power) untuk kebutuhan internal pembangkit, hingga titik interkoneksi ke jaringan transmisi. Diagram ini menunjukkan bagaimana daya yang dibangkitkan dialirkan dan didistribusikan untuk keperluan sendiri sebelum disalurkan ke grid. SLD membantu dalam menganalisis kondisi operasi dan merencanakan skema proteksi generator dan transformator utama.

Tampilan digital diagram garis tunggal interaktif di layar komputer SCADA

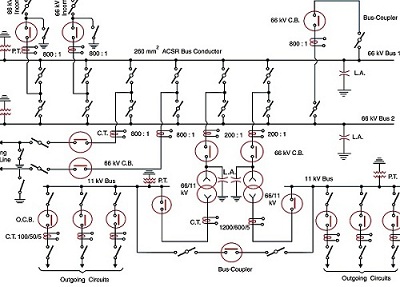
Di sistem transmisi dan gardu induk, SLD menampilkan konfigurasi busbar (sistem bus tunggal, ganda, atau satu setengah pemutus), lokasi pemutus sirkuit, pemisah (isolator), transformator penurun tegangan, serta peralatan proteksi seperti transformator arus (CT) dan transformator tegangan (VT). SLD level ini sangat penting untuk operasi switching, yaitu prosedur menyalakan atau mematikan bagian jaringan secara aman, serta untuk studi stabilitas dan koordinasi relay jarak (distance relay) yang melindungi saluran transmisi.

Dari sisi proteksi listrik, SLD adalah fondasi untuk merancang sistem pengamanan. Setiap komponen pada SLD dilindungi oleh perangkat proteksi tertentu, seperti relay diferensial untuk transformator, relay arus lebih untuk feeder, atau relay tanah untuk deteksi gangguan ground. SLD memvisualisasikan zona proteksi yang tumpang tindih (overlapping zones) sehingga tidak ada bagian sistem yang tidak terlindungi. Tanpa SLD yang akurat, koordinasi proteksi menjadi sangat sulit dan berisiko menyebabkan pemadaman luas atau kerusakan peralatan.

15 Kamus Lainnya

Automatic Voltage Regulator (AVR)

Automatic Voltage Regulator (AVR) adalah perangkat atau sistem yang secara otomatis menjaga tegangan listrik pada nilai yang stabil dan konstan.…

Baca Detail »

Black Start Capability

Black Start Capability adalah kemampuan pembangkit listrik untuk memulai operasi dan menghasilkan daya listrik tanpa bergantung pada sumber listrik eksternal…

Baca Detail »

Bus Differential Protection

Bus Differential Protection adalah skema proteksi utama yang melindungi busbar di gardu induk dan pembangkit listrik. Ia bekerja dengan membandingkan…

Baca Detail »

Distance Protection Relay

Distance Protection Relay adalah relai proteksi yang bekerja berdasarkan impedansi saluran untuk mendeteksi dan mengisolasi gangguan di sistem tenaga listrik.…

Baca Detail »

Generator Step Up Transformer (GSU)

Generator Step Up Transformer (GSU) adalah transformator daya berkapasitas besar yang berfungsi menaikkan tegangan listrik keluaran generator pembangkit (misalnya 15…

Baca Detail »

Governor Control System

Governor Control System adalah sistem kendali otomatis yang mengatur kecepatan putar dan daya keluaran turbin pada pembangkit listrik untuk menjaga…

Baca Detail »

Heat Rate Performance

Heat Rate adalah parameter efisiensi termal pembangkit listrik yang mengukur konsumsi energi panas (bahan bakar) untuk menghasilkan satu unit energi…

Baca Detail »

Isolated Phase Busduct (IPB)

Isolated Phase Busduct (IPB) adalah sistem konduktor berinsulasi gas yang dirancang untuk menyalurkan arus listrik sangat besar dari generator ke…

Baca Detail »

Non Spinning Reserve

Non-Spinning Reserve adalah kapasitas pembangkit listrik yang dapat disiapkan dan disinkronkan ke sistem dengan cepat (biasanya dalam 10-30 menit) untuk…

Baca Detail »

Power Factor Correction

Power Factor Correction (PFC) atau Koreksi Faktor Daya adalah teknik untuk meningkatkan faktor daya (cos φ) dengan mengurangi daya reaktif…

Baca Detail »

Reactive Power Compensation

Reactive Power Compensation adalah teknik untuk mengatur daya reaktif (VAR) dalam sistem kelistrikan guna meningkatkan stabilitas tegangan, efisiensi transmisi, dan…

Baca Detail »

Spinning Reserve Margin

Spinning Reserve Margin adalah kapasitas pembangkit listrik yang tersinkronisasi dengan sistem dan siap langsung digunakan untuk menanggapi fluktuasi beban atau…

Baca Detail »

Station Service Transformer (SST)

Station Service Transformer (SST) adalah trafo daya khusus yang menyediakan daya listrik untuk peralatan bantu (auxiliary) di dalam pembangkit listrik…

Baca Detail »

Unit Auxiliary Transformer (UAT)

Unit Auxiliary Transformer (UAT) adalah trafo khusus yang menyediakan daya listrik untuk peralatan bantu (auxiliary) di dalam pembangkit listrik atau…

Baca Detail »

PLTU

PLTU (Pembangkit Listrik Tenaga Uap) mengubah energi kimia bahan bakar (batu bara, gas, minyak) menjadi listrik melalui siklus Rankine. Bahan…

Baca Detail »

12 Pembangkit Utama Indonesia

PLTU Paiton

  • Probolinggo & Situbondo, Jawa Timur
  • 4608 MW
  • PT PLN Nusantara Power, PT Paiton Energy, PT Jawa…
  • Beroperasi
Detail »

PLTU Suralaya

  • Pulomerak, Cilegon, Banten
  • 3440 MW
  • PT Indonesia Power
  • Beroperasi
Detail »

PLTU Batang

  • Ujungnegoro, Kab. Batang, Jawa Tengah
  • 2000 MW
  • PT Bhimasena Power Indonesia
  • Beroperasi
Detail »

PLTU Jawa 7

  • Kab. Serang, Banten
  • 2100 MW
  • PT SGPJB (Shenhua Guohua Pembangkitan Jawa Bali)
  • Beroperasi
Detail »

PLTU Tanjung Jati B

  • Jepara, Jawa Tengah
  • 1320 MW
  • PT PLN Nusantara Power
  • Beroperasi
Detail »

PLTU Cirebon 1 (Jawa-1)

  • Desa Kanci, Kab. Cirebon, Jawa Barat
  • 660 MW
  • PT Cirebon Electric Power
  • Beroperasi
Detail »

PLTU Cirebon 2

  • Kab. Cirebon, Jawa Barat
  • 1000 MW
  • PT Cirebon Energi Prasarana
  • Beroperasi
Detail »

PLTU Sumsel-8 (Tanjung Lalang)

  • Desa Tanjung Lalang, Muara Enim, Sumatera Selatan
  • 1320 MW
  • PT Huadian Bukit Asam Power (HBAP)
  • Beroperasi
Detail »

PLTU Indramayu

  • Kab. Indramayu, Jawa Barat
  • 990 MW
  • PT PLN Nusantara Power
  • Beroperasi
Detail »

PLTU Rembang

  • Kab. Rembang, Jawa Tengah
  • 630 MW
  • PT PLN Nusantara Power
  • Beroperasi
Detail »

PLTU Tanjung Awar-Awar

  • Tuban, Jawa Timur
  • 700 MW
  • PT PLN Nusantara Power
  • Beroperasi
Detail »

PLTU Pacitan

  • Pacitan, Jawa Timur
  • 630 MW
  • PT PLN Nusantara Power
  • Beroperasi
Detail »

Artikel Terbaru

Tender Proyek Energi Terbarukan Indonesia: Panduan Lengkap

Tender Proyek Energi Terbarukan Indonesia: Panduan Lengkap

Pelajari tender proyek energi terbarukan Indonesia, syarat, izin, dan strategi menang tender sektor…

28 Apr 2026

Baca artikel »
Kebijakan Investasi Energi Pemerintah Indonesia Terbaru

Kebijakan Investasi Energi Pemerintah Indonesia Terbaru

Kebijakan investasi energi pemerintah Indonesia: arah, regulasi, peluang, dan dampaknya bagi pelaku…

27 Apr 2026

Baca artikel »
Peluang Investasi Energi Melalui Danantara

Peluang Investasi Energi Melalui Danantara

Peluang investasi energi melalui danantara, analisis potensi, regulasi, dan strategi masuk sektor k…

24 Apr 2026

Baca artikel »
Proyek Pembangkit Listrik Tenaga Sampah: Analisis

Proyek Pembangkit Listrik Tenaga Sampah: Analisis

Analisis proyek pembangkit listrik tenaga sampah: skema, regulasi, biaya, dan tantangan implementas…

23 Apr 2026

Baca artikel »
Investasi PLTSA Kota Besar: Peluang dan Risiko

Investasi PLTSA Kota Besar: Peluang dan Risiko

Analisis investasi PLTSA kota besar: peluang, regulasi, biaya, dan tantangan proyek energi berbasis…

23 Apr 2026

Baca artikel »
Proyek Energi Strategis Nasional: Panduan Lengkap

Proyek Energi Strategis Nasional: Panduan Lengkap

Panduan proyek energi strategis nasional: regulasi, perizinan, dan peluang usaha ketenagalistrikan …

22 Apr 2026

Baca artikel »