Pengaman Jarak Saluran Transmisi

Pengaman Jarak Saluran Transmisi adalah perangkat proteksi utama yang mendeteksi dan mengisolasi gangguan (seperti hubung singkat) pada saluran transmisi dengan menganalisis impedansi saluran dari titik pemasangan. Fungsinya adalah memutuskan bagian jaringan yang terganggu secara selektif dan cepat untuk menjaga stabilitas sistem kelistrikan secara keseluruhan.

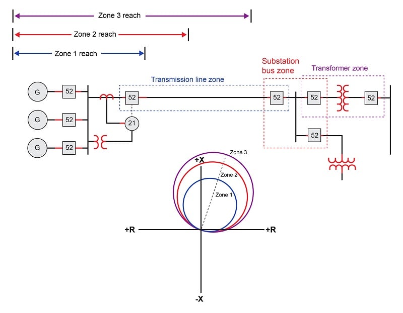
Pengertian, Prinsip Kerja, dan Zona Proteksi

Pengaman Jarak (Distance Protection) adalah jenis relai proteksi yang bekerja berdasarkan prinsip pengukuran impedansi saluran transmisi dari titik pemasangan relai menuju titik gangguan. Impedansi saluran berbanding lurus dengan panjang saluran. Saat terjadi gangguan seperti hubung singkat, tegangan pada relai turun drastis dan arus meningkat, menyebabkan impedansi terukur menjadi sangat kecil. Relai akan membandingkan impedansi terukur ini dengan setelan impedansi (reach) yang telah ditentukan. Jika impedansi terukur lebih kecil dari setelan, relai mendeteksi adanya gangguan di dalam zona jangkauannya dan memerintahkan pemutus tenaga (circuit breaker) untuk membuka.

Close-up relay pengaman jarak digital di panel kontrol gardu induk

Relai jarak biasanya memiliki beberapa zona proteksi dengan waktu tunda (time delay) yang berbeda untuk mencapai selektivitas. Zona 1 biasanya disetel untuk melindungi 80-90% panjang saluran dan bekerja secara instan (tanpa tunda). Zona 2 disetel untuk melindungi sisa saluran ditambah bagian dari saluran berikutnya (sebagai backup) dengan waktu tunda sekitar 0.3-0.5 detik. Zona 3 berfungsi sebagai backup untuk saluran berikutnya dengan waktu tunda yang lebih lama. Pengaturan multi-zona ini memastikan hanya bagian jaringan yang terganggu saja yang diisolasi, menjaga kontinuitas pasokan listrik di area lain.

Pemandangan luas gardu transmisi dengan saluran dan trafo daya

Pentingnya dan Penerapan dalam Sistem Transmisi PLN

Dalam sistem transmisi tegangan tinggi dan ekstra tinggi (SUTT/SUTET), Pengaman Jarak merupakan tulang punggung proteksi karena keandalannya, kecepatan, dan sifat proteksinya yang tidak bergantung pada besarnya arus gangguan. Hal ini sangat krusial mengingat saluran transmisi merupakan urat nadi sistem kelistrikan yang menjangkau jarak ratusan kilometer dengan kondisi lingkungan yang bervariasi. Gangguan seperti sambaran petir, pohon tumbang, atau kontaminasi isolator dapat menyebabkan hubung singkat yang jika tidak diisolasi dengan cepat (dalam hitungan siklus), akan mengancam stabilitas dinamik seluruh sistem, berpotensi menyebabkan pemadaman luas (blackout).

Diagram teknis prinsip kerja pengaman jarak (impedansi) pada saluran

PT PLN (Persero) sebagai operator sistem ketenagalistrikan nasional menerapkan relai jarak digital/mikroprosesor canggih pada gardu induknya. Relai modern ini tidak hanya mendeteksi gangguan, tetapi juga merekam data gangguan (fault recording), mengukur lokasi gangguan (fault location) untuk mempermudah tim patroli, dan terintegrasi dengan sistem SCADA untuk pemantauan pusat. Penerapannya diatur dalam standar dan pedoman teknis PLN serta mengacu pada standar internasional seperti IEEE dan IEC. Pemeliharaan dan pengujian rutin setelan relai jarak sangat penting untuk memastikan fungsinya optimal dalam melindungi aset infrastruktur transmisi yang vital.

Teknisi memeriksa relay pengaman di panel proteksi transmisi

15 Kamus Lainnya

Automatic Voltage Regulator (AVR)

Automatic Voltage Regulator (AVR) adalah perangkat atau sistem yang secara otomatis menjaga tegangan listrik pada nilai yang stabil dan konstan.…

Baca Detail »

Black Start Capability

Black Start Capability adalah kemampuan pembangkit listrik untuk memulai operasi dan menghasilkan daya listrik tanpa bergantung pada sumber listrik eksternal…

Baca Detail »

Bus Differential Protection

Bus Differential Protection adalah skema proteksi utama yang melindungi busbar di gardu induk dan pembangkit listrik. Ia bekerja dengan membandingkan…

Baca Detail »

Distance Protection Relay

Distance Protection Relay adalah relai proteksi yang bekerja berdasarkan impedansi saluran untuk mendeteksi dan mengisolasi gangguan di sistem tenaga listrik.…

Baca Detail »

Generator Step Up Transformer (GSU)

Generator Step Up Transformer (GSU) adalah transformator daya berkapasitas besar yang berfungsi menaikkan tegangan listrik keluaran generator pembangkit (misalnya 15…

Baca Detail »

Governor Control System

Governor Control System adalah sistem kendali otomatis yang mengatur kecepatan putar dan daya keluaran turbin pada pembangkit listrik untuk menjaga…

Baca Detail »

Heat Rate Performance

Heat Rate adalah parameter efisiensi termal pembangkit listrik yang mengukur konsumsi energi panas (bahan bakar) untuk menghasilkan satu unit energi…

Baca Detail »

Isolated Phase Busduct (IPB)

Isolated Phase Busduct (IPB) adalah sistem konduktor berinsulasi gas yang dirancang untuk menyalurkan arus listrik sangat besar dari generator ke…

Baca Detail »

Non Spinning Reserve

Non-Spinning Reserve adalah kapasitas pembangkit listrik yang dapat disiapkan dan disinkronkan ke sistem dengan cepat (biasanya dalam 10-30 menit) untuk…

Baca Detail »

Power Factor Correction

Power Factor Correction (PFC) atau Koreksi Faktor Daya adalah teknik untuk meningkatkan faktor daya (cos φ) dengan mengurangi daya reaktif…

Baca Detail »

Reactive Power Compensation

Reactive Power Compensation adalah teknik untuk mengatur daya reaktif (VAR) dalam sistem kelistrikan guna meningkatkan stabilitas tegangan, efisiensi transmisi, dan…

Baca Detail »

Spinning Reserve Margin

Spinning Reserve Margin adalah kapasitas pembangkit listrik yang tersinkronisasi dengan sistem dan siap langsung digunakan untuk menanggapi fluktuasi beban atau…

Baca Detail »

Station Service Transformer (SST)

Station Service Transformer (SST) adalah trafo daya khusus yang menyediakan daya listrik untuk peralatan bantu (auxiliary) di dalam pembangkit listrik…

Baca Detail »

Unit Auxiliary Transformer (UAT)

Unit Auxiliary Transformer (UAT) adalah trafo khusus yang menyediakan daya listrik untuk peralatan bantu (auxiliary) di dalam pembangkit listrik atau…

Baca Detail »

PLTU

PLTU (Pembangkit Listrik Tenaga Uap) mengubah energi kimia bahan bakar (batu bara, gas, minyak) menjadi listrik melalui siklus Rankine. Bahan…

Baca Detail »

12 Pembangkit Utama Indonesia

PLTU Paiton

  • Probolinggo & Situbondo, Jawa Timur
  • 4608 MW
  • PT PLN Nusantara Power, PT Paiton Energy, PT Jawa…
  • Beroperasi
Detail »

PLTU Suralaya

  • Pulomerak, Cilegon, Banten
  • 3440 MW
  • PT Indonesia Power
  • Beroperasi
Detail »

PLTU Batang

  • Ujungnegoro, Kab. Batang, Jawa Tengah
  • 2000 MW
  • PT Bhimasena Power Indonesia
  • Beroperasi
Detail »

PLTU Jawa 7

  • Kab. Serang, Banten
  • 2100 MW
  • PT SGPJB (Shenhua Guohua Pembangkitan Jawa Bali)
  • Beroperasi
Detail »

PLTU Tanjung Jati B

  • Jepara, Jawa Tengah
  • 1320 MW
  • PT PLN Nusantara Power
  • Beroperasi
Detail »

PLTU Cirebon 1 (Jawa-1)

  • Desa Kanci, Kab. Cirebon, Jawa Barat
  • 660 MW
  • PT Cirebon Electric Power
  • Beroperasi
Detail »

PLTU Cirebon 2

  • Kab. Cirebon, Jawa Barat
  • 1000 MW
  • PT Cirebon Energi Prasarana
  • Beroperasi
Detail »

PLTU Sumsel-8 (Tanjung Lalang)

  • Desa Tanjung Lalang, Muara Enim, Sumatera Selatan
  • 1320 MW
  • PT Huadian Bukit Asam Power (HBAP)
  • Beroperasi
Detail »

PLTU Indramayu

  • Kab. Indramayu, Jawa Barat
  • 990 MW
  • PT PLN Nusantara Power
  • Beroperasi
Detail »

PLTU Rembang

  • Kab. Rembang, Jawa Tengah
  • 630 MW
  • PT PLN Nusantara Power
  • Beroperasi
Detail »

PLTU Tanjung Awar-Awar

  • Tuban, Jawa Timur
  • 700 MW
  • PT PLN Nusantara Power
  • Beroperasi
Detail »

PLTU Pacitan

  • Pacitan, Jawa Timur
  • 630 MW
  • PT PLN Nusantara Power
  • Beroperasi
Detail »

Artikel Terbaru

Tender Proyek Energi Terbarukan Indonesia: Panduan Lengkap

Tender Proyek Energi Terbarukan Indonesia: Panduan Lengkap

Pelajari tender proyek energi terbarukan Indonesia, syarat, izin, dan strategi menang tender sektor…

28 Apr 2026

Baca artikel »
Kebijakan Investasi Energi Pemerintah Indonesia Terbaru

Kebijakan Investasi Energi Pemerintah Indonesia Terbaru

Kebijakan investasi energi pemerintah Indonesia: arah, regulasi, peluang, dan dampaknya bagi pelaku…

27 Apr 2026

Baca artikel »
Peluang Investasi Energi Melalui Danantara

Peluang Investasi Energi Melalui Danantara

Peluang investasi energi melalui danantara, analisis potensi, regulasi, dan strategi masuk sektor k…

24 Apr 2026

Baca artikel »
Proyek Pembangkit Listrik Tenaga Sampah: Analisis

Proyek Pembangkit Listrik Tenaga Sampah: Analisis

Analisis proyek pembangkit listrik tenaga sampah: skema, regulasi, biaya, dan tantangan implementas…

23 Apr 2026

Baca artikel »
Investasi PLTSA Kota Besar: Peluang dan Risiko

Investasi PLTSA Kota Besar: Peluang dan Risiko

Analisis investasi PLTSA kota besar: peluang, regulasi, biaya, dan tantangan proyek energi berbasis…

23 Apr 2026

Baca artikel »
Proyek Energi Strategis Nasional: Panduan Lengkap

Proyek Energi Strategis Nasional: Panduan Lengkap

Panduan proyek energi strategis nasional: regulasi, perizinan, dan peluang usaha ketenagalistrikan …

22 Apr 2026

Baca artikel »