Sistem Interlocking Switchgear

Sistem Interlocking Switchgear adalah sistem pengaman dan pengendalian pada peralatan switching (pemutus dan penyambung) yang mencegah operasi yang tidak aman atau berbahaya dengan mengunci urutan operasi tertentu. Fungsinya untuk memastikan keandalan dan keselamatan personel serta peralatan dalam sistem kelistrikan.

Pengertian, Prinsip Kerja, dan Tujuan

Sistem Interlocking Switchgear merupakan mekanisme pengendalian dan pengaman yang terintegrasi dalam perangkat switchgear (seperti Circuit Breaker/Pemutus Tenaga, Disconnecting Switch/Pemisah, dan Grounding Switch/Penghantar) untuk mencegah terjadinya operasi yang salah atau berbahaya. Sistem ini bekerja berdasarkan logika tertentu yang 'mengunci' (lock) satu perangkat jika kondisi perangkat lain belum memenuhi syarat operasi yang aman. Tujuannya adalah untuk menegakkan prosedur operasi yang benar dan menghilangkan kemungkinan human error yang dapat menyebabkan kecelakaan, kerusakan peralatan, atau pemadaman listrik luas.

Close-up mekanisme interlock mekanis pada panel switchgear tegangan menengah

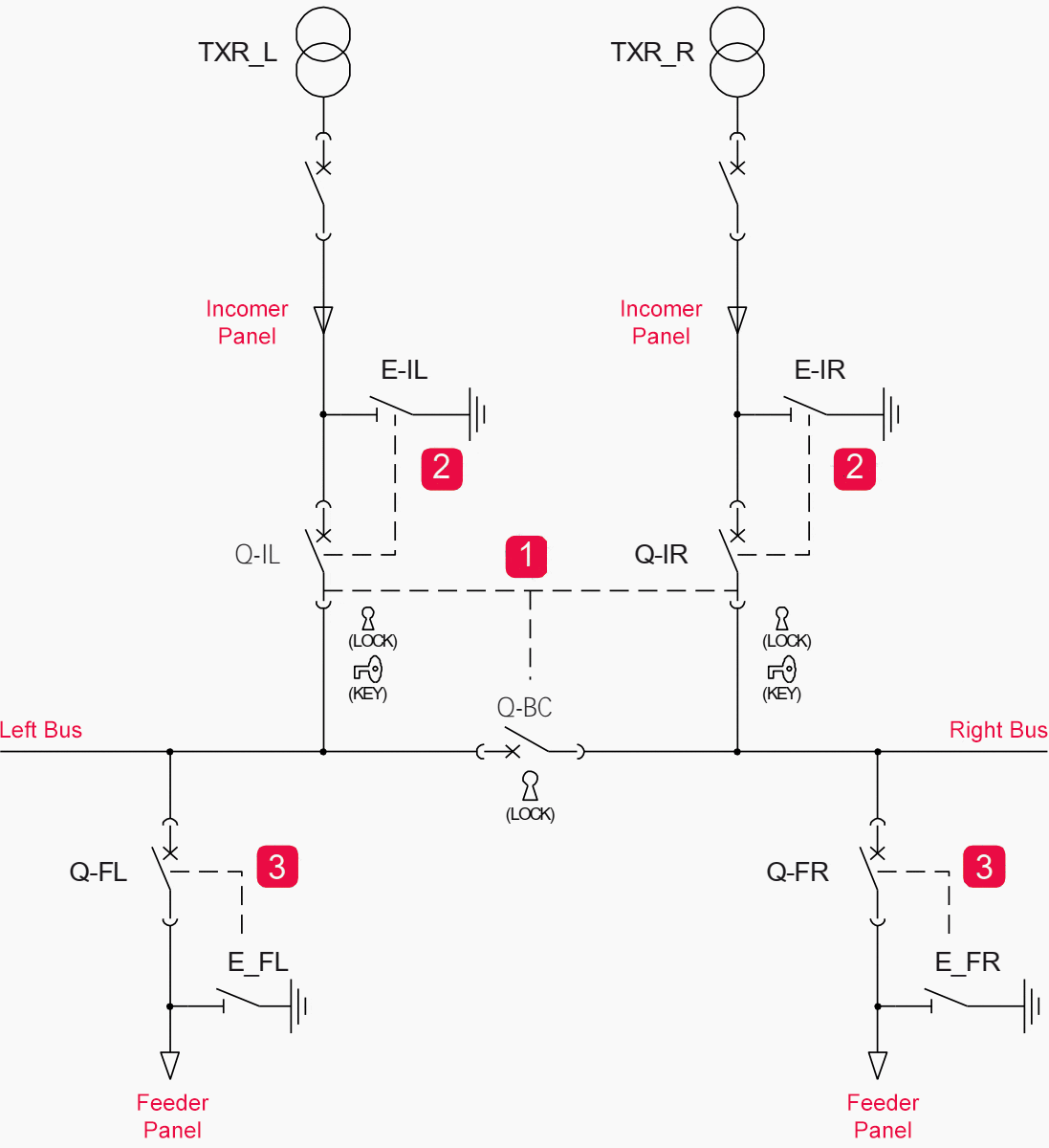
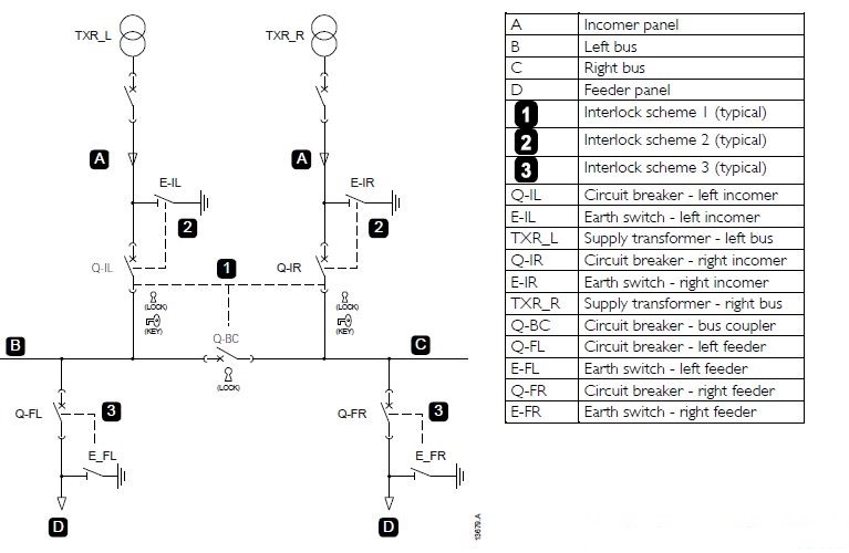
Prinsip kerja interlocking dapat bersifat mekanis, elektrik, atau gabungan keduanya (elektromekanis). Interlocking mekanis menggunakan tuas, batang, atau kunci fisik yang saling terkait. Sementara interlocking elektrik menggunakan rangkaian kontak bantu (auxiliary contact) dan relay yang memutus atau menyambungkan rangkaian kontrol berdasarkan status perangkat lain. Misalnya, sebuah Circuit Breaker (CB) tidak dapat ditutup (close) jika grounding switch pada sisi yang sama masih dalam posisi terhubung ke tanah, karena akan menyebabkan hubungan singkat (short circuit) yang fatal.

Diagram skematik sistem interlocking listrik untuk pengamanan rangkaian

Tujuan utama sistem ini adalah tiga hal: (1) Keselamatan Personel, melindungi pekerja dari sengatan listrik atau busur api (arc flash) dengan memastikan urutan pengamanan seperti pembumian (grounding) hanya dilakukan setelah perangkat dipastikan terbuka dan tidak bertegangan. (2) Proteksi Peralatan, mencegah operasi yang dapat merusak peralatan mahal seperti transformer atau generator, misalnya menyambung dua sumber yang tidak sinkron. (3) Keandalan Sistem, menjaga kontinuitas pasokan listrik dengan mencegah kesalahan operasi yang dapat memicu gangguan dan pemadaman beruntun (cascading failure).

Panel switchgear lengkap dengan indikator dan kunci interlock terpasang

Penerapan dalam Sistem Pembangkit, Transmisi, dan Distribusi

Dalam pembangkit listrik, sistem interlocking sangat kritis pada Generator Circuit Breaker (GCB) dan switchyard. Interlocking diterapkan untuk mencegah penutupan pemutus tenaga generator ke busbar sebelum kondisi frekuensi, tegangan, dan fasa generator telah disinkronkan dengan sempurna dengan sistem grid. Kesalahan sinkronisasi dapat menyebabkan kerusakan mekanis parah pada generator. Selain itu, interlocking juga memastikan bahwa perangkat pemeliharaan (maintenance switch) aktif sebelum pekerja melakukan aktivitas di sekitar peralatan bertegangan tinggi.

Teknisi memeriksa sistem interlocking pada cubicle switchgear industri

Pada gardu induk (substation) sistem transmisi dan distribusi, interlocking mengatur hubungan antara pemutus tenaga (CB), pemisah (disconnector), dan penghantar arde (grounding switch). Logika dasarnya adalah: (a) Pemisah hanya dapat dibuka atau ditutup jika Pemutus Tenaga di serinya sudah dalam posisi terbuka (open). Ini karena pemisah tidak dirancang untuk memutus arus beban. (b) Grounding Switch hanya dapat ditutup (dihubungkan ke tanah) jika Pemisah di sisi sumbernya sudah terbuka dan dipastikan tidak ada tegangan (melalui Voltage Transformer). (c) Pemutus Tenaga dapat ditutup hanya jika semua Grounding Switch di sirkuitnya sudah terbuka dan Pemisah yang relevan sudah tertutup.

Penerapan interlocking modern semakin canggih dengan integrasi sistem kontrol berbasis SCADA (Supervisory Control and Data Acquisition) dan Proteksi Digital. Logika interlocking dapat diprogram dalam relay proteksi atau PLC (Programmable Logic Controller), memungkinkan pengawasan dan kontrol yang lebih fleksibel namun tetap aman. Standar dan regulasi, seperti yang diterbitkan oleh Kementerian ESDM dan standar internasional IEC 62271, mensyaratkan penerapan sistem interlocking yang andal sebagai bagian dari sistem manajemen keselamatan operasi jaringan ketenagalistrikan.

15 Kamus Lainnya

Automatic Voltage Regulator (AVR)

Automatic Voltage Regulator (AVR) adalah perangkat atau sistem yang secara otomatis menjaga tegangan listrik pada nilai yang stabil dan konstan.…

Baca Detail »

Black Start Capability

Black Start Capability adalah kemampuan pembangkit listrik untuk memulai operasi dan menghasilkan daya listrik tanpa bergantung pada sumber listrik eksternal…

Baca Detail »

Bus Differential Protection

Bus Differential Protection adalah skema proteksi utama yang melindungi busbar di gardu induk dan pembangkit listrik. Ia bekerja dengan membandingkan…

Baca Detail »

Distance Protection Relay

Distance Protection Relay adalah relai proteksi yang bekerja berdasarkan impedansi saluran untuk mendeteksi dan mengisolasi gangguan di sistem tenaga listrik.…

Baca Detail »

Generator Step Up Transformer (GSU)

Generator Step Up Transformer (GSU) adalah transformator daya berkapasitas besar yang berfungsi menaikkan tegangan listrik keluaran generator pembangkit (misalnya 15…

Baca Detail »

Governor Control System

Governor Control System adalah sistem kendali otomatis yang mengatur kecepatan putar dan daya keluaran turbin pada pembangkit listrik untuk menjaga…

Baca Detail »

Heat Rate Performance

Heat Rate adalah parameter efisiensi termal pembangkit listrik yang mengukur konsumsi energi panas (bahan bakar) untuk menghasilkan satu unit energi…

Baca Detail »

Isolated Phase Busduct (IPB)

Isolated Phase Busduct (IPB) adalah sistem konduktor berinsulasi gas yang dirancang untuk menyalurkan arus listrik sangat besar dari generator ke…

Baca Detail »

Non Spinning Reserve

Non-Spinning Reserve adalah kapasitas pembangkit listrik yang dapat disiapkan dan disinkronkan ke sistem dengan cepat (biasanya dalam 10-30 menit) untuk…

Baca Detail »

Power Factor Correction

Power Factor Correction (PFC) atau Koreksi Faktor Daya adalah teknik untuk meningkatkan faktor daya (cos φ) dengan mengurangi daya reaktif…

Baca Detail »

Reactive Power Compensation

Reactive Power Compensation adalah teknik untuk mengatur daya reaktif (VAR) dalam sistem kelistrikan guna meningkatkan stabilitas tegangan, efisiensi transmisi, dan…

Baca Detail »

Spinning Reserve Margin

Spinning Reserve Margin adalah kapasitas pembangkit listrik yang tersinkronisasi dengan sistem dan siap langsung digunakan untuk menanggapi fluktuasi beban atau…

Baca Detail »

Station Service Transformer (SST)

Station Service Transformer (SST) adalah trafo daya khusus yang menyediakan daya listrik untuk peralatan bantu (auxiliary) di dalam pembangkit listrik…

Baca Detail »

Unit Auxiliary Transformer (UAT)

Unit Auxiliary Transformer (UAT) adalah trafo khusus yang menyediakan daya listrik untuk peralatan bantu (auxiliary) di dalam pembangkit listrik atau…

Baca Detail »

PLTU

PLTU (Pembangkit Listrik Tenaga Uap) mengubah energi kimia bahan bakar (batu bara, gas, minyak) menjadi listrik melalui siklus Rankine. Bahan…

Baca Detail »

12 Pembangkit Utama Indonesia

PLTU Paiton

  • Probolinggo & Situbondo, Jawa Timur
  • 4608 MW
  • PT PLN Nusantara Power, PT Paiton Energy, PT Jawa…
  • Beroperasi
Detail »

PLTU Suralaya

  • Pulomerak, Cilegon, Banten
  • 3440 MW
  • PT Indonesia Power
  • Beroperasi
Detail »

PLTU Batang

  • Ujungnegoro, Kab. Batang, Jawa Tengah
  • 2000 MW
  • PT Bhimasena Power Indonesia
  • Beroperasi
Detail »

PLTU Jawa 7

  • Kab. Serang, Banten
  • 2100 MW
  • PT SGPJB (Shenhua Guohua Pembangkitan Jawa Bali)
  • Beroperasi
Detail »

PLTU Tanjung Jati B

  • Jepara, Jawa Tengah
  • 1320 MW
  • PT PLN Nusantara Power
  • Beroperasi
Detail »

PLTU Cirebon 1 (Jawa-1)

  • Desa Kanci, Kab. Cirebon, Jawa Barat
  • 660 MW
  • PT Cirebon Electric Power
  • Beroperasi
Detail »

PLTU Cirebon 2

  • Kab. Cirebon, Jawa Barat
  • 1000 MW
  • PT Cirebon Energi Prasarana
  • Beroperasi
Detail »

PLTU Sumsel-8 (Tanjung Lalang)

  • Desa Tanjung Lalang, Muara Enim, Sumatera Selatan
  • 1320 MW
  • PT Huadian Bukit Asam Power (HBAP)
  • Beroperasi
Detail »

PLTU Indramayu

  • Kab. Indramayu, Jawa Barat
  • 990 MW
  • PT PLN Nusantara Power
  • Beroperasi
Detail »

PLTU Rembang

  • Kab. Rembang, Jawa Tengah
  • 630 MW
  • PT PLN Nusantara Power
  • Beroperasi
Detail »

PLTU Tanjung Awar-Awar

  • Tuban, Jawa Timur
  • 700 MW
  • PT PLN Nusantara Power
  • Beroperasi
Detail »

PLTU Pacitan

  • Pacitan, Jawa Timur
  • 630 MW
  • PT PLN Nusantara Power
  • Beroperasi
Detail »

Artikel Terbaru

Tender Proyek Energi Terbarukan Indonesia: Panduan Lengkap

Tender Proyek Energi Terbarukan Indonesia: Panduan Lengkap

Pelajari tender proyek energi terbarukan Indonesia, syarat, izin, dan strategi menang tender sektor…

28 Apr 2026

Baca artikel »
Kebijakan Investasi Energi Pemerintah Indonesia Terbaru

Kebijakan Investasi Energi Pemerintah Indonesia Terbaru

Kebijakan investasi energi pemerintah Indonesia: arah, regulasi, peluang, dan dampaknya bagi pelaku…

27 Apr 2026

Baca artikel »
Peluang Investasi Energi Melalui Danantara

Peluang Investasi Energi Melalui Danantara

Peluang investasi energi melalui danantara, analisis potensi, regulasi, dan strategi masuk sektor k…

24 Apr 2026

Baca artikel »
Proyek Pembangkit Listrik Tenaga Sampah: Analisis

Proyek Pembangkit Listrik Tenaga Sampah: Analisis

Analisis proyek pembangkit listrik tenaga sampah: skema, regulasi, biaya, dan tantangan implementas…

23 Apr 2026

Baca artikel »
Investasi PLTSA Kota Besar: Peluang dan Risiko

Investasi PLTSA Kota Besar: Peluang dan Risiko

Analisis investasi PLTSA kota besar: peluang, regulasi, biaya, dan tantangan proyek energi berbasis…

23 Apr 2026

Baca artikel »
Proyek Energi Strategis Nasional: Panduan Lengkap

Proyek Energi Strategis Nasional: Panduan Lengkap

Panduan proyek energi strategis nasional: regulasi, perizinan, dan peluang usaha ketenagalistrikan …

22 Apr 2026

Baca artikel »