Switchyard Layout

Switchyard Layout adalah tata letak peralatan gardu induk (switchyard) yang menghubungkan pembangkit listrik ke sistem transmisi. Fungsinya untuk mengatur, mengontrol, dan melindungi aliran daya listrik dengan aman dan efisien.

Pengertian dan Fungsi Utama Switchyard

Switchyard (gardu induk) adalah komponen kritis dalam sistem ketenagalistrikan yang berfungsi sebagai titik interkoneksi antara pembangkit listrik (seperti PLTU, PLTA, PLTGU) dengan sistem transmisi tegangan tinggi. Tata letak atau layout-nya merujuk pada pengaturan fisik dan konfigurasi semua peralatan listrik utama di dalam area gardu tersebut. Layout ini dirancang secara strategis untuk memastikan keandalan, keamanan, dan efisiensi operasi.

Tampilan udara luas switchyard gardu induk dengan susunan peralatan listrik

Fungsi utama dari switchyard adalah untuk 'mengumpulkan' (collect) daya listrik yang dihasilkan oleh generator pembangkit, kemudian 'menaikkan' (step-up) tegangannya melalui transformator daya agar sesuai untuk ditransmisikan jarak jauh dengan rugi-rugi yang minimal melalui saluran transmisi. Selain itu, switchyard berfungsi sebagai titik untuk memisahkan (isolate) bagian sistem, mengontrol aliran daya, dan yang terpenting, sebagai lokasi penerapan sistem proteksi untuk mengamankan peralatan dari gangguan seperti hubung singkat atau tegangan lebih.

Close-up pemutus sirkuit (CB) dan pemisah (disconnector) di dalam switchyard

Perancangan layout yang baik mempertimbangkan aspek teknis seperti tingkat isolasi, jarak aman (clearance), kemudahan operasi dan pemeliharaan, serta perluasan di masa depan. Layout yang optimal akan meminimalkan penggunaan lahan, mempersingkat panjang konduktor (busbar), dan memudahkan evakuasi serta pekerjaan darurat.

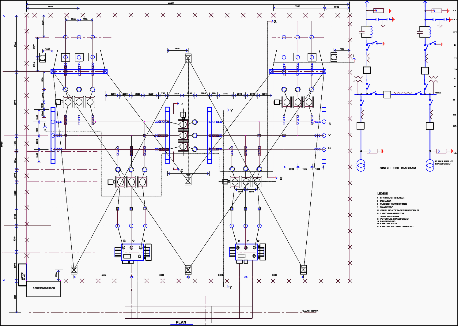
Diagram tata letak single line switchyard dengan trafo dan busbar

Komponen Utama dan Konfigurasi Layout

Switchyard terdiri dari sekumpulan peralatan tegangan tinggi yang disusun dalam konfigurasi tertentu. Komponen utamanya meliputi: Pemutus Tenaga (Circuit Breaker) untuk menyambung dan memutuskan arus beban maupun gangguan; Penyulang (Disconnecting Switch atau Isolator) untuk mengisolasi peralatan secara fisik; Transformator Daya (Power Transformer) untuk menaikkan tegangan; Pentanahan (Grounding Equipment) untuk keamanan; serta Peralatan Proteksi dan Pengukuran seperti Current Transformer (CT), Voltage Transformer (VT), dan Lightning Arrester (LA).

Pemandangan ground level switchyard dengan trafo daya dan lightning arrester

Terdapat beberapa konfigurasi layout switchyard yang umum, seperti Sistem Bus Tunggal (Single Bus), Bus Ganda (Double Bus), dan Bus Satu Setengah (One and a Half Breaker). Pemilihan konfigurasi bergantung pada tingkat keandalan yang dibutuhkan, fleksibilitas operasi, dan pertimbangan biaya. Misalnya, layout Bus Satu Setengah menawarkan keandalan sangat tinggi karena memungkinkan pemeliharaan pada salah satu bus atau pemutus tenaga tanpa perlu memadamkan (outage) saluran yang terhubung, sehingga sering digunakan pada pembangkit besar dan gardu induk penting.

Dalam konteks pembangkit, switchyard biasanya ditempatkan di area yang berdekatan dengan gedung pembangkit tetapi dengan batas keamanan yang jelas. Penempatan transformator daya, yang merupakan komponen terbesar, harus memungkinkan akses untuk penggantian atau perbaikan. Saluran transmisi yang keluar dari switchyard juga harus dirancang dengan sudut dan jarak menara yang aman. Semua aspek ini tergambar dalam gambar tata letak (layout drawing) yang menjadi panduan konstruksi dan operasi.

15 Kamus Lainnya

Automatic Voltage Regulator (AVR)

Automatic Voltage Regulator (AVR) adalah perangkat atau sistem yang secara otomatis menjaga tegangan listrik pada nilai yang stabil dan konstan.…

Baca Detail »

Black Start Capability

Black Start Capability adalah kemampuan pembangkit listrik untuk memulai operasi dan menghasilkan daya listrik tanpa bergantung pada sumber listrik eksternal…

Baca Detail »

Bus Differential Protection

Bus Differential Protection adalah skema proteksi utama yang melindungi busbar di gardu induk dan pembangkit listrik. Ia bekerja dengan membandingkan…

Baca Detail »

Distance Protection Relay

Distance Protection Relay adalah relai proteksi yang bekerja berdasarkan impedansi saluran untuk mendeteksi dan mengisolasi gangguan di sistem tenaga listrik.…

Baca Detail »

Generator Step Up Transformer (GSU)

Generator Step Up Transformer (GSU) adalah transformator daya berkapasitas besar yang berfungsi menaikkan tegangan listrik keluaran generator pembangkit (misalnya 15…

Baca Detail »

Governor Control System

Governor Control System adalah sistem kendali otomatis yang mengatur kecepatan putar dan daya keluaran turbin pada pembangkit listrik untuk menjaga…

Baca Detail »

Heat Rate Performance

Heat Rate adalah parameter efisiensi termal pembangkit listrik yang mengukur konsumsi energi panas (bahan bakar) untuk menghasilkan satu unit energi…

Baca Detail »

Isolated Phase Busduct (IPB)

Isolated Phase Busduct (IPB) adalah sistem konduktor berinsulasi gas yang dirancang untuk menyalurkan arus listrik sangat besar dari generator ke…

Baca Detail »

Non Spinning Reserve

Non-Spinning Reserve adalah kapasitas pembangkit listrik yang dapat disiapkan dan disinkronkan ke sistem dengan cepat (biasanya dalam 10-30 menit) untuk…

Baca Detail »

Power Factor Correction

Power Factor Correction (PFC) atau Koreksi Faktor Daya adalah teknik untuk meningkatkan faktor daya (cos φ) dengan mengurangi daya reaktif…

Baca Detail »

Reactive Power Compensation

Reactive Power Compensation adalah teknik untuk mengatur daya reaktif (VAR) dalam sistem kelistrikan guna meningkatkan stabilitas tegangan, efisiensi transmisi, dan…

Baca Detail »

Spinning Reserve Margin

Spinning Reserve Margin adalah kapasitas pembangkit listrik yang tersinkronisasi dengan sistem dan siap langsung digunakan untuk menanggapi fluktuasi beban atau…

Baca Detail »

Station Service Transformer (SST)

Station Service Transformer (SST) adalah trafo daya khusus yang menyediakan daya listrik untuk peralatan bantu (auxiliary) di dalam pembangkit listrik…

Baca Detail »

Unit Auxiliary Transformer (UAT)

Unit Auxiliary Transformer (UAT) adalah trafo khusus yang menyediakan daya listrik untuk peralatan bantu (auxiliary) di dalam pembangkit listrik atau…

Baca Detail »

PLTU

PLTU (Pembangkit Listrik Tenaga Uap) mengubah energi kimia bahan bakar (batu bara, gas, minyak) menjadi listrik melalui siklus Rankine. Bahan…

Baca Detail »

12 Pembangkit Utama Indonesia

PLTU Paiton

  • Probolinggo & Situbondo, Jawa Timur
  • 4608 MW
  • PT PLN Nusantara Power, PT Paiton Energy, PT Jawa…
  • Beroperasi
Detail »

PLTU Suralaya

  • Pulomerak, Cilegon, Banten
  • 3440 MW
  • PT Indonesia Power
  • Beroperasi
Detail »

PLTU Batang

  • Ujungnegoro, Kab. Batang, Jawa Tengah
  • 2000 MW
  • PT Bhimasena Power Indonesia
  • Beroperasi
Detail »

PLTU Jawa 7

  • Kab. Serang, Banten
  • 2100 MW
  • PT SGPJB (Shenhua Guohua Pembangkitan Jawa Bali)
  • Beroperasi
Detail »

PLTU Tanjung Jati B

  • Jepara, Jawa Tengah
  • 1320 MW
  • PT PLN Nusantara Power
  • Beroperasi
Detail »

PLTU Cirebon 1 (Jawa-1)

  • Desa Kanci, Kab. Cirebon, Jawa Barat
  • 660 MW
  • PT Cirebon Electric Power
  • Beroperasi
Detail »

PLTU Cirebon 2

  • Kab. Cirebon, Jawa Barat
  • 1000 MW
  • PT Cirebon Energi Prasarana
  • Beroperasi
Detail »

PLTU Sumsel-8 (Tanjung Lalang)

  • Desa Tanjung Lalang, Muara Enim, Sumatera Selatan
  • 1320 MW
  • PT Huadian Bukit Asam Power (HBAP)
  • Beroperasi
Detail »

PLTU Indramayu

  • Kab. Indramayu, Jawa Barat
  • 990 MW
  • PT PLN Nusantara Power
  • Beroperasi
Detail »

PLTU Rembang

  • Kab. Rembang, Jawa Tengah
  • 630 MW
  • PT PLN Nusantara Power
  • Beroperasi
Detail »

PLTU Tanjung Awar-Awar

  • Tuban, Jawa Timur
  • 700 MW
  • PT PLN Nusantara Power
  • Beroperasi
Detail »

PLTU Pacitan

  • Pacitan, Jawa Timur
  • 630 MW
  • PT PLN Nusantara Power
  • Beroperasi
Detail »

Artikel Terbaru

Tender Proyek Energi Terbarukan Indonesia: Panduan Lengkap

Tender Proyek Energi Terbarukan Indonesia: Panduan Lengkap

Pelajari tender proyek energi terbarukan Indonesia, syarat, izin, dan strategi menang tender sektor…

28 Apr 2026

Baca artikel »
Kebijakan Investasi Energi Pemerintah Indonesia Terbaru

Kebijakan Investasi Energi Pemerintah Indonesia Terbaru

Kebijakan investasi energi pemerintah Indonesia: arah, regulasi, peluang, dan dampaknya bagi pelaku…

27 Apr 2026

Baca artikel »
Peluang Investasi Energi Melalui Danantara

Peluang Investasi Energi Melalui Danantara

Peluang investasi energi melalui danantara, analisis potensi, regulasi, dan strategi masuk sektor k…

24 Apr 2026

Baca artikel »
Proyek Pembangkit Listrik Tenaga Sampah: Analisis

Proyek Pembangkit Listrik Tenaga Sampah: Analisis

Analisis proyek pembangkit listrik tenaga sampah: skema, regulasi, biaya, dan tantangan implementas…

23 Apr 2026

Baca artikel »
Investasi PLTSA Kota Besar: Peluang dan Risiko

Investasi PLTSA Kota Besar: Peluang dan Risiko

Analisis investasi PLTSA kota besar: peluang, regulasi, biaya, dan tantangan proyek energi berbasis…

23 Apr 2026

Baca artikel »
Proyek Energi Strategis Nasional: Panduan Lengkap

Proyek Energi Strategis Nasional: Panduan Lengkap

Panduan proyek energi strategis nasional: regulasi, perizinan, dan peluang usaha ketenagalistrikan …

22 Apr 2026

Baca artikel »